Каминная топка Schmid Ekko L55(34)51 s
422fafcf1ce5
Доставка в Нижний Новгород
Удобство оплаты
Почему звонить в Очаг уже сейчас?
- Единая цена по всей России
- Бесплатная доставка
- Понимаем любой бюджет
- Считаем ВСЕ варианты
- Инструкции и видео для Монтажа
- Доступно, Оперативно, Профессионально
- Более 2 000 монтажей за 17 лет
Примеры работ #Степан_Знает
Видео галерея
Описание
Характеристики
Общие
Производитель:
Страна-производитель:
Германия
Остекление:
Материал корпуса:
Материал топки:
- Шамот
Конструкция топки:
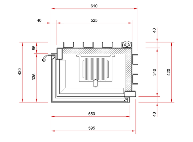
Размеры
Диаметр дымохода:
180 мм
Общая ширина:
610 мм
Общая глубина:
420 мм
Общая высота:
1340 мм
Общий вес:
200 кг
Высота рамки:
510 мм
Ширина рамки:
550 мм
Производительность
Мощность:
5 кВт
КПД:
78%
Площадь отопления:
50 м²
Объем отопления:
125 м³
Использование для отопления:












